FAQ • 07.03.2024
Zapojení Morley patic určených pro požární hlásiče a signalizační zařízení
Vladimír Matocha
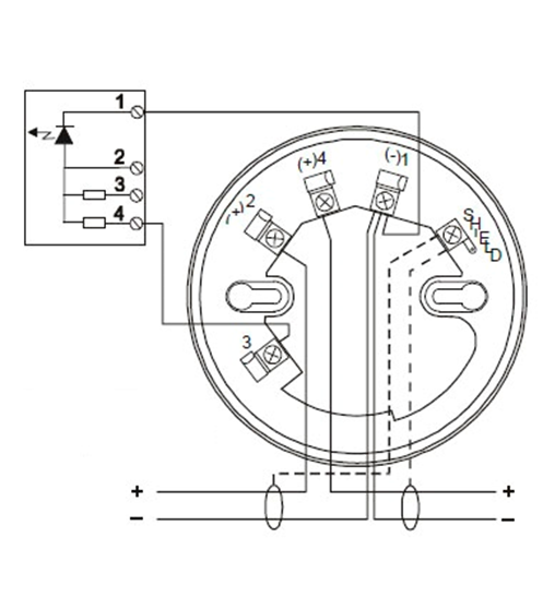
Zapojení patic, které jsou určeny pro požární hlásiče a signalizační zařízení je poměrně jednoduché. Patice zapojují postupně do smyčky. Jak můžeme vidět na obrázku, příchozí kladný pól zapojíme na svorku 2 a odcházející kladný pól zapojíme na svorku 4. Svorka 1 je určena na příchozí a zároveň i odcházející záporný pól. Na svorku s označením SHIELD se připojuje stínění.

Toto schéma zapojení se zároveň nachází v každém balení patice.
CZ
Pre SK zákazníkov
Pre EN zákazníkov
